產品分類
PRODUCT CENTER產品規格更多
| 產品 | 規格 |
|---|---|
| 二波板 | 4320*310*85*3/4 |
| 三波板 | 4320*506*85*3/4 |
| 圓立柱 | 直徑140/114*4.5 |
| 方立柱 | 130*130*6*2540 |
| 防阻塊 | 196*178*200*3/4.5 |
| 托 架 | 70*300*4/4.5 |
| 柱 帽 | 140/114適配 |
| 螺 栓 | M16*35/45/170 |
| 方墊片 | 76*44*4 |
| 單端頭 | R160*3/4 |
點擊數:2432025-10-10 16:32:03 來源: 波形護欄|護欄板價格|高速護欄板廠家-冠縣華安交通
GB/T 31439.1-2025《波形梁鋼護欄 第1部分:兩波形梁鋼護欄》?于2025年8月29日發布,計劃于2026年3月1日實施,替代2015版標準,規范公路交通工程中兩波形梁鋼護欄的技術要求與安全性能。如需要2025標準電子版,可點擊關注,評論區留言需要2025標準電子版。??
g) 更 改 了 托 架 的 用 途 、規 格 和 公 稱 尺 寸 及 允 許 偏 差(見 4.3.6、5.2.6.1,2015 年 版 的 3.2.8、4.2.7.1);


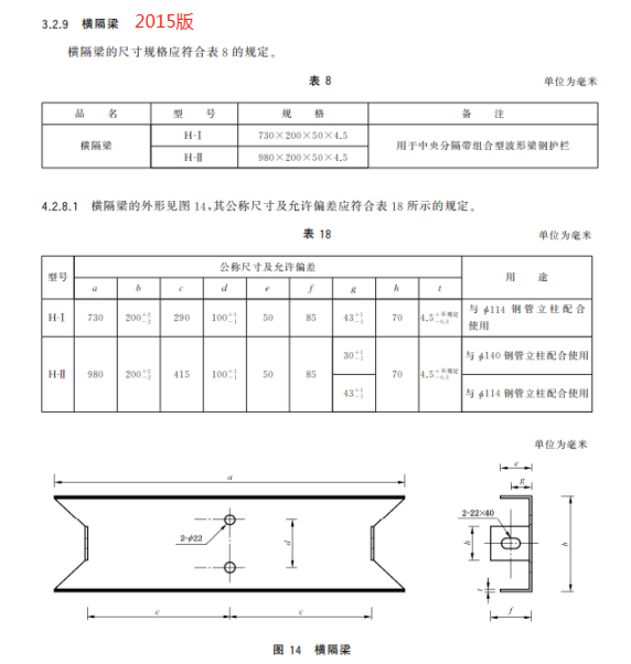
h) 更 改 了 橫 隔 梁 的 用 途 、規 格 和 公 稱 尺 寸 及 允 許 偏 差(見 4.3.7、5.2.7.1,2015 年 版 的 3.2.9、4.2.8.1);


i) 增加了兩波形梁板不應焊接加長的要求(見 5.1.4);

j) 增加了 2.0 mm 厚和 2.5 mm 厚兩波形梁板的最小厚度和平均厚度要求、中部連接螺孔數量應根據鋼管立柱間距設置的要求(見 5.2.1.1、5.2.1.2);
k) 更改了兩波形梁板外形圖、橫截面公稱尺寸、展開尺寸及允許偏差(見 5.2.1.1~5.2.1.3,2015 版的 4.2.1.1、4.2.1.2);


l) 刪除了變截面兩波形梁板的外形圖及加工要求(見 2015 年版的圖 3、圖 4 和 4.4.2);


m) 更改了兩波形梁板螺孔規格(見 5.2.1.4,2015 年版的 4.2.1.3);



